Product number:
PROD208
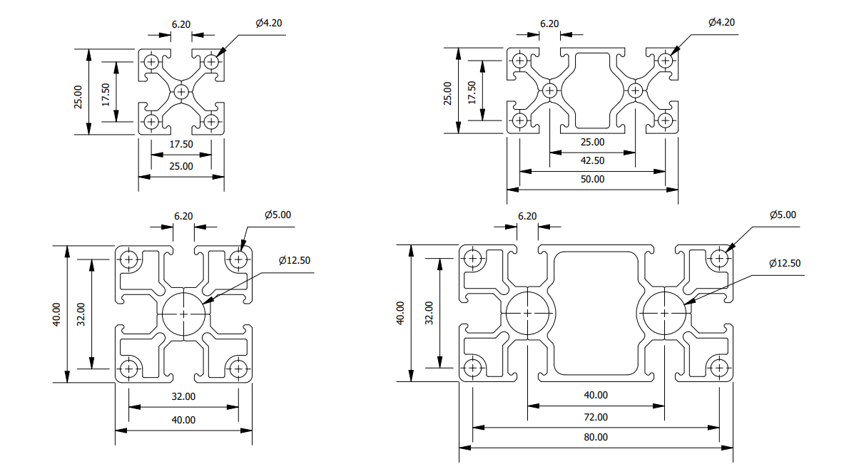
Aluminum Profile
- Roborex
From €11.64Available in stock
Files
Images
Specification
Material: Aluminium.
Surface: Silver anodized.
Freight notice:
Additional freight costs may occur on this item due to size, dimension, weight, or non-standard postal code.
Additional freight costs may occur on this item due to size, dimension, weight, or non-standard postal code.


